
新聞中心
RS485通訊接口芯片廣泛應用于各種智能儀表上,采用RS485接口的智能儀表不僅可以實現點對點的通信方式,還可以實現聯網功能,RS485為遠程抄表提供了最可靠的抄表方式。RS485接口芯片的應用非常廣泛,應用環境各有不同,而智能儀表、工業控制等現場環境時常非常惡劣,RS485通訊端口需要做好靜電防護、雷擊浪涌防護、以及380V市電接入防護等,以避免智能儀表、工控主機的損壞。本文介紹幾種典型的RS485端口防護電路。
1,AB端口之間并聯TVS,再分別串聯熱敏電阻的方式構成防護電路。
如圖1所示,熱敏電阻(PTC)是一種典型具有溫度敏感性的電阻,超過一定的溫度時,它的電阻值隨著溫度的升高呈階躍性的增高,當故障有大電流通過的時候,阻抗急劇升高而起到限流的作用,當故障排除時又恢復到0阻抗的狀態。
TVS器件是常見的箝位器件,最大的特點是殘壓低,動作精度高,反應時間快(<1ns),缺點是耐流能力差,通流容量小,一般只有幾百安培。
該方案在外界浪涌電壓、ESD電流進入時,TVS首先觸發,將A,B端口之間電壓箝位到一個很低的值,但電流迅速增大,這時會導致熱敏電阻急劇升溫而切斷通路起到保護作用。

圖1 防護方案1
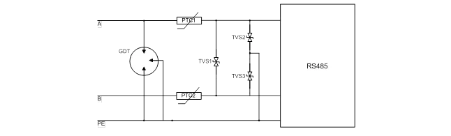
2, AB端口分別并聯TVS器件到保護地,AB之間并聯TVS器件,AB端口分別串聯熱敏電阻,并接氣體放電管到保護地形成三級保護的方案。
如圖2所示,GDT為氣體放電管,它是一種通斷型過壓保護單元,當加到兩電極兩端的電壓達到使氣體放電管內的氣體擊穿時,氣體放電管便開始放電,并由高阻變成低阻,使電極兩端的電壓不超過內部電路的擊穿電壓。它的優點是通流量容量大,絕緣電阻高,漏電流小;但缺點是殘壓較高,反應時間慢(≤100ns),動作電壓精度較低,有跟隨電流(即續流)。

圖2 防護方案2
3,AB端口分別并聯熱敏電阻、TVS 到地,同時A,B之間并聯TVS器件的保護方案。
圖3中D1、D2、D3是TVS器件,PPTC1、PPTC2是熱敏電阻。當浪涌電壓、ESD電流進入時,D1,D2、D3首先觸發而將A,B端口上的電壓箝位到地,AB端口之間的電壓箝位到安全范圍內,此時電流迅速增大導致熱敏電阻PPTC1、PPTC2急劇升溫而形成斷路,直到浪涌、靜電或故障消除。

圖3 防護方案3
4,AB之間并聯TVS,再串聯熱敏電阻,再并聯壓敏電阻到地的三級防護方案。
如圖4所示,MF1、MF2是熱敏電阻,CK是壓敏電壓。壓敏電阻屬于電壓限幅型,壓敏電阻的過流值與其瞬間內阻的乘積,即為殘壓。殘壓不能超過被保護器件的允許耐壓,該器件在一定溫度下,導電性能隨電壓的增加而急劇增大,沒有過壓時呈高阻值狀態,一旦過電壓,立即將電壓限制到一定值,其阻抗突變為低值。它的優點是通流容量大,殘壓較低,反應時間較快(≤50ns),無跟隨電流(續流);它的缺點是漏電流較大,老化速度相對較快。

圖4 防護方案4
芯力特電子科技有限公司推出型號為SIT485E的RS485芯片,該產品不僅具有失效安全、熱插拔、過溫保護、控制與輸入端口遲滯、超低靜態功耗等特點,而且具有優秀的抗雷擊浪涌能力、高壓靜電釋放能力,其接觸放電能力與ESD HBM標準均達到±15KV水平,可以完全替代美信、TI、ADI等RS485芯片,SIT485E收發器有助于降低電表成本,提高可靠性,簡化設計,實現電表的小型化。
同時,芯力特公司有非常優秀的AD/DA設計能力,在硅片上成功研發過多種AD,DA芯片與IP:
1)高精度高速10bit 100MHz pipeline/12bit 60MHz pipeline的ADC,已經在0.18um/0.13um CMOS工藝驗證;
2)高精度低速低功耗12bit 4MHz SAR ADC,已經在0.18um CMOS工藝驗證;
3)高精度低速的sigma-delta ADC,從14-24bit,已經在0.5um/0.35um/0.18um CMOS工藝驗證;
4)極高速的200MHz 6-8bit flash ADC,已經在0.18um/0.13um CMOS工藝驗證;
5) 8/10/12bitDAC,已經在0.35um/0.25um/0.18um/0.13umCMOS工藝驗證。
歡迎來電交流、洽談,聯系方式:
聯系人:張文杰
電話:18502537108
Email:zwj@sitcores.com
網址:m.nsicindia.com
掃描二維碼關注“芯力特”微信號

地址:湖南省長沙高新開發區尖山路39號中電軟件園總部大樓
上海:上海市浦東新區豪威科技園區上科路88號
深圳:深圳市南山區科技園高新南七道1號粵美特大廈24樓
業務:15074991500(華東區),13647318510(華南區),13600008459(北西區)
服務:service@sitcores.com
招聘:tinachen@sitcores.com
Copyright ? 2020 湖南芯力特電子科技有限公司 湘ICP備2022017381號